FCS64型多维可调控制联动台样机于2020年1月15日已成功验收。
此型号联动台产品为新一代符合人机工程学设计的多维可调的控制联动台,可应用于起重设备、工程机械、远程控制中心等工业控制领域。
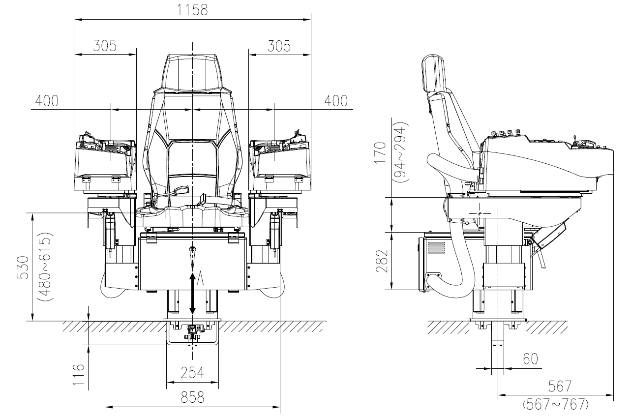
该联动台具备六个维度的运动可调功能,通过电子无极式调节能有效降低设备操作者的背部、肩部、腰部、手肘的工作压力,降低长时间操作的疲劳感,提升工作效率,避免职业病的发生。

六向可调节范围:
- 联动台整体高度调整:135mm,
- 联动台整体回转调整:±90°
- 左右侧操作箱高度调整:200mm
- 左右侧操作箱倾斜角度调整:-10°~20°
- 左右侧操作箱水平前后调整:200mm
- 左右侧操作箱摆动调整:内侧2档位,6°、12°